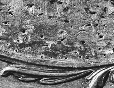
Figure 31  Detail of the nailing line for fixed upholstery on the side rail of (left) the chair illustrated in fig. 3 and (right) the chair illustrated in fig. 5.